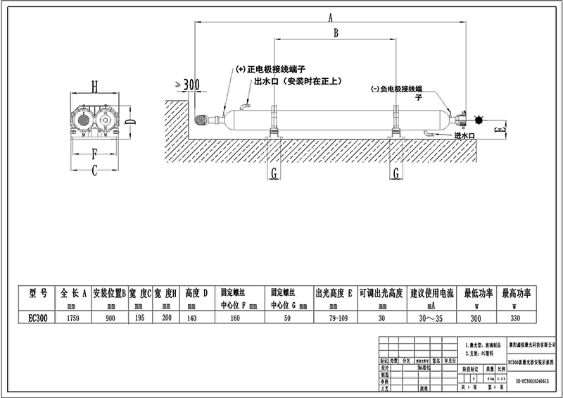
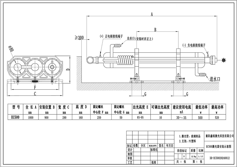
EC 系列CO2 激光管
鑫锐激光EC系列CO2激光管是我公司历经多年研制的长寿命增强型CO2激光管,激光管功率高、光束细、发光性能稳定,放电管镀有催化剂,使其工作寿命大为增加,相比同类产品有体积小、光斑模式好、切割速度快的优势。该系列产品质保期12个月,可和公司现有电源、镜片系列产品完全配套,使用更稳定,寿命更长。适用领域:有机材料、布料、皮革、木板、亚克力、玻璃等的切割。
EC 系列CO2 激光管



型号 | 长度(mm) | 直径(mm) | 输出功率(W) | 最高功率(w) | 工作电流(mA) | 催化剂 |
EC300 | 2*1650±20 | Φ80 | 300 | 320 | 30 | 有 |
EC500 | 3*1650±20 | Φ80 | 500 | 550 | 30 |